LT-MD Ex系列本質安裝型信號防雷器依據IEC61643-21、GB18802.21以及YD1542設計產生,采用模塊熱插拔式設計,拔下防雷模塊時,信號直通,插入防雷模塊,信號由防雷模塊通過,在檢測或者更換模塊時,傳輸信號不會中斷。
廣泛應用趕在本質安全類總線系統及各類電流環路信號的電涌保護。

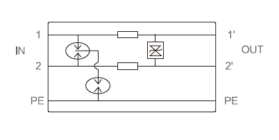
本產品串聯在設備信號回路中,采用35mm標準導軌安裝,多回路采用多個組合安裝。輸入端1、2(IN)接信號通道,輸出端1’2’(OUT)接信號處理設備。
| 型號 | LT-MD/6 | LT-MD/12 | LT-MD/24 |
| 額定工作電壓 Un(V-) | 6 | 12 | 24 |
| 最高持續運行電壓 Uc(V-) | 7.5 | 15 | 35 |
| 標稱電流 I(mA) | 200 | 200 | 200 |
| 線-線標稱放電電流 ln(kA) | 5 | 5 | 5 |
| 線-PE標稱放電電流 ln(kA) | 10 | 10 | 10 |
| 線-線阻抗 | 2.5Ω | 2.5Ω | 2.5Ω |
| 線-線傳輸頻率 | 20MHZ | 20MHZ | 20MHZ |
| 線-線電容 | <35PF | <30PF | <25PF |
| 線-PE電容 | <7PF | <7PF | <7PF |
| 安裝方式 | 35mm導軌安裝 | ||
| 測試標準 | IEC61643-21 | ||
| 認證 | ATEX | ||
避雷器、壓敏電阻片廠區:浙江省溫州市樂清市柳市鎮四板橋工業區
聯系電話:0577-62625686
傳真:0577-62625796
浪涌保護器廠區:浙江省溫州市樂清市柳市鎮四板橋工業區
聯系電話:0577-62623666
傳真:0577-62626686